


Published on Jan 09, 2026
A new sensitive microwave life-detection system which can be used to locate human subjects buried under earthquake rubble or hidden behind various barriers has been constructed. By advent of this system the world death rate may decrease to greater extent as large percentage of death occur due to earthquake. This system operating at 1150 MHz or 450 MHz can detect the breathing and heartbeat signals of human subjects through an earthquake rubble or a construction barrier of about 10-ft thickness.
Previous methods for searching and rescuing human victims buried under earthquake rubble or collapsed building debris were the utilization of dogs, or seismic or optical devices. These devices are not effective if the rubble or debris covering the human victims is thicker than a few feet, especially for the case when the victims are completely trapped or too weak to respond to the signal sent by the rescuers.
The basic physical principle for the operation of a microwave life-detection system is rather simple. When a microwave beam of appropriate frequency (L or S band) is aimed at a pile of earthquake rubble covering a human subject or illuminated through a barrier obstructing a human subject, the microwave beam can penetrate the rubble or the barrier to reach the human subject.When the human subject is illuminated by a microwave beam, the reflected wave from the human subject will be modulated by the subject’s body movements, which include the breathing and the heartbeat. If the clutter consisting of the reflected wave from stationary background can be completely eliminated and the reflected wave from the human subject’s body is properly modulated, the breathing and heartbeat signals of the subject can be extracted.Thus, a human subject buried under earthquake rubble or hidden behind barriers can be located.
Microwaves are electromagnetic waves with wavelengths ranging from as long as one meter to as short as one millimeter, or equivalently, with frequencies between 300 MHz (0.3 GHz) and 300 GHz. This broad definition includes both UHF and EHF (millimeter waves), and various sources use different boundaries. In all cases, microwave includes the entire SHF band (3 to 30 GHz, or 10 to 1 cm) at minimum, with RF engineering often putting the lower boundary at 1 GHz (30 cm), and the upper around 100 GHz (3mm).
The advantages of microwaves are ,
Increased bandwidth availability (1 GHz-103 GHz).
Improved directive properties.
Transmitter /receiver power requirements are very low.

The microwave life detection system has four major components. They are
A microwave circuit which generates, amplifies and distributes microwave signals to different microwave components.
A microwave controlled clutter cancellation system, which creates an optimal signal to cancel the clutter from the rubble.
A dual antenna system, which consists of two antennas, energized sequentially.
A laptop computer which controls the microprocessor and acts as the monitor for the output signal.
The frequency of the microwave falls under two categories, depending on the type and nature of the collapsed building.
They are ,
L (or) S band frequency say 1150 MHz
UHF band frequency say 450 MHz An electromagnetic wave of 450 MHz is difficult to penetrate layers of reinforced concrete slabs with imbedded metallic wire of 4-in spacing.
Through a series of experiment, we selected the operating frequency of 1150 MHz for the second system with the goal of penetrating such earthquake rubble. After the construction of the 450-MHz and the 1150-MHz systems and an extensive series of experiments, we found that an EM wave of 1150 MHz can penetrate a rubble with layers of reinforced concrete slabs with metallic wire mesh easier than that of 450 MHz. However, an EMwave of 450 MHz may penetrate deeper into a rubble without metallic wire mesh than that of 1150 MHz. The basic circuit structures of the 450-MHz and the 1150-MHz microwave life-detection systems are quite similar and they are operated based on the same physical principle.

A phase-shift oscillator is a simple electronic oscillator. It contains an inverting amplifier, and a feedback filter which 'shifts' the phase of the amplifier output by 180 degrees at a specific oscillation frequency. The filter produces a phase shift that increases with frequency. It must have a maximum phase shift of considerably greater than 180° at high frequencies, so that the phase shift at the desired oscillation frequency is 180°. Here the phase locked oscillator generates a very stable electromagnetic wave say 1150 MHz with output power say 400mW.
Directional couplers are four-port circuits where one port is isolated from the input port. Directional couplers are passive reciprocal networks, which you can read more about on our page on basic network theory. All four ports are (ideally) matched, and the circuit is (ideally) lossless. A directional coupler has four ports, where one is regarded as the input, one is regarded as the "through" port (where most of the incident signal exits), one is regarded as the coupled port (where a fixed fraction of the input signal appears, usually expressed in dB), and an isolated port, which is usually terminated. If the signal is reversed so that it enter the "though" port, most of it exits the "input" port, but the coupled port is now the port that was previously regarded as the "isolated port". The coupled port is a function of which port is the incident port. Waveguide couplers couple in the forward direction (forward-wave couplers); a signal incident on port 1 will couple to port 3 (port 4 is isolated). Micro strip or strip line coupler are "backward wave" couplers.
A circulator is a ferrite device (ferrite is a class of materials with strange magnetic properties) with usually three ports. The beautiful thing about circulators is that they are non-reciprocal. That is, energy into port 1 predominantly exits port 2, energy into port 2 exits port 3, and energy into port 3 exits port 1. In a reciprocal device the same fraction of energy that flows from port 1 to port 2 would occur to energy flowing the opposite direction, from port 2 to port 1
The dual antenna system has two antennas, which are energized sequentially by an electronically controlled microwave single-pole double-throw (SPDT) switch. The SPDT switch turns on and off at a frequency of 100 Hz which is much higher than the frequency range of the breathing and heartbeat signals between 0.2 Hz and 3 Hz. Thus, we can consider that the two antennas essentially sample their respective objects at the same time. In this dual-antenna system, the two antenna channels are completely independent. Each antenna acts separately. We have designed and constructed three types of antennas for the microwave life-detection system.
They are:
1) the reflector antenna;
2) the patch antenna; and
3) the probe antenna.
Each antenna simultaneously acts as the radiating element and the receiving element. It radiates EM wave through the earthquake rubble to reach the trapped human subjects and at the same time it receives the reflected EM wave from the rubble and the human subjects.
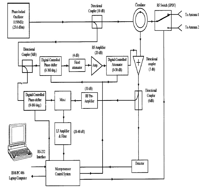
The schematic diagram of the 1150-MHz microwave life-detection system is shown in Fig. 6.1. A phase-locked oscillator generates a very stable EMwave at 1150 MHz with an output power of 400mW(25.6 dBm). This wave is fed through a 10-dB directional coupler and a circulator before reaching a radio-frequency (RF) switch, which energized the dual antenna system sequentially. The 10-dB directional coupler branches out one-tenth of the wave (40 mW) which is then divided equally by a 3-dB directional coupler. One output of the 3-dB directional coupler (20 mW) drives the clutter cancellation circuit and the other output(20 mW) serves as a local reference signal for the double-balanced mixer.
A new sensitive life-detection system using microwave radiation for locating human subjects buried under earthquake rubble or hidden behind various barriers has been constructed. This system operating at 1150 or 450 MHz can detect the breathing and heartbeat signals of human subjects through an earthquake rubble or a construction barrier of about 10-ft thickness. The location of the person under the rubble can be known by calculating the time lapse between the sending time, Ts and receiving time, Tr. Since it will not be possible to continuously watch the system under critical situations, an alarm system has been set, so that whenever the laptop computer system processes the received signal and identifies that there is a human being, the alarm sound starts. The possible shortcoming of this system is the effects of the background noise created by the environment and operators. A sophisticated signal processing scheme may further improve the system performance.
1.www.ieee.org
2.www. wikipedia.org
3.www.microwaves101.com
4.Antenna theory,analysis and design : Constantine.A.Balanis
5.Microwave and Radar Engineering : M.Kulkarni
6.Electronic Communication Systems : George Kennady and Bernard Davis
7.K. M. Chen, Y. Huang, A. Norman, and J. Zhang, “Microwave life-detection system for detecting human subjects through barriers,” in Proc. Progress in Electromagnetic Research Symp., Hong Kong.
| Are you interested in this topic.Then mail to us immediately to get the full report.
email :- contactv2@gmail.com |