


Published on Nov 30, 2023
Nowadays, there are many wireless communications systems with multiple standards. One of the example is the WiFi systems with IEEE802,11b/g for 2.4 GHz and IEEE802.11a for 5 GHz. For the integration of the circuitry in these systems, it is great interested to develop multiband microwave circuits that can operate at two or more arbitrary frequency bands. This report is targeted on the hybrid coupler which is with a wide range of application in RF and Microwave circle. Two multiband hybrid couplers were simulated and fabricated for detail analysis. First, a branch line multiband coupler with open circuit stub covering frequency 2.45 GHz and 5.25 GHz was investigated. Second, a multiband hybrid coupler covering frequency 2.45 GHz, 5.25 GHz and 5.8 GHz was investigated. The multiband hybrid coupler employs rectangular disk hybrid coupler and open circuit stubs. In order to demonstrate the application of the hybrid coupler, a multiband butler matrix based on the rectangular disk hybrid coupler and Schiffman Phase Shifters are also fabricated for detail analysis. The butler matrix is a kind of beamforming network that can be used to feed the antenna array and build the multiport amplifier.
1. Design a multiband Hybrid coupler covering 3 frequency band of Multiband (2.4- 2.485 GHz, 5.15-5.35 GHz and 5.725-5.85 GHz)
2. Design a Butler Matrix aimed to be used in the antenna system of the Multiband Access Points
A set of procedures are designed to meet the objectives of this project.
They are listed as shown:
Step1. Review the pass studies from the Literature Step3.The structure are guessed base on the knowledge or similar structure from the literature.
Step2.The purposed structure is simulated by using CAD software. The dimensions are optimized by using the results from the simulation.
Step3. The optimized structures are fabricated. The S-parameter of the fabricated circuits is measured by Network Analyzer. After the measurement, the measurement results are compared with the simulation result. We adjust the situation method by the comparison to make the simulation result more accurate.
Several CAD Softwares are used in this project. Zeland IE3D was used to perform full fullwave EM simulation. The layouts of the circuits are drawn by AutoCAD. Txline is used to calculate the dimension of the mircostrip line according to the Impedance and Electrical Length.
Analyzer Aligent 8753ES S-parameter Network Analyzer is used to measure the S-parameter of the circuits.
The Dual band branch line coupler are . fabricated on a substrate with permittivity of 2.65 and height of 0.5 mm. The multiband Rectangular disc hybrid, the phase shifter, Butler Matrix and other coupler are fabricated on a substrate with permittivity of 2.33 and height of 1.57mm
Hybrid coupler is a kind of power divider circuit in which the amplitudes of the 2 outputs are equal. There are many forms of hybrids. The quadrature 3 dB couplers are one of the popular forms of hybrid coupler. The amplitude of the 2 outputs of quadrature 3 dB coupler are equal and the phase difference between them are 90 degree.

There are some terms to describe the property of the Hybrid coupler.
Insertion Loss=(1-alpha)=10log(P1/P2)=-20log(S21)
P1 is defined as the power inputted at port 1 and P2 is the output power from the through port (port 3). It is related to S21 in dB. The requirement for insertion loss in Hybrid coupler is between 3 dB to 4dB.
Coupling factor: alpha=10log (P1/P3) =-20log(S31) (0.1) P1
is defined as the power inputted at port 1 and P3 is the output power from the coupled port (port 3). It is related to S31 in dB .The requirement for insertion loss in Hybrid coupler is between 3 dB to 4 dB.
Isolation (dB)=10log (P1/P4)=-20log(S31) (0.2)
In a hybrid coupler, the isolation is defined as the difference between the signal levels between the isolated port and the input port. It is related to S41 in the S parameter of the hybrid coupler. The requirement for isolation in Hybrid coupler is greater than 10dB.
Return Loss (dB)=-20log(S11)
The Return loss is describing the portion of power that is reflected from the input. The Return loss is related to S11. For a hybrid coupler, the return should be less than -10dB
Directivity (dB) =10log(P4/P3)=10log(P4/P1)+10log(P3/P1)=-20log(S31/S41)
Directivity cannot be measured directly. Therefore, it is calculated from the measurement of isolation and coupling. It can be calculated as below: Directivity (dB) = Isolation (dB) - Coupling (dB)
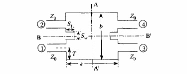
In 1994, Tadashi Kawai and Isao Ohta propose that by optimizing the parameters of a rectangular disc, a hybrid coupler can be obtained.[6] The below figure show a single band rectangular disc hybrid proposed by them:

By optimizing the value of S1, Sw, T, b, a in the above figure, a broadband patch hybrid coupler can be obtained in a desired frequency band.
There are 2 methods to optimize the circuit parameters.
First, it can be done by using segment method. The coupler is divided into 4 segments by line AA’ and BB’. The Z-parameter of each segment can be obtained by using Green function. However, this method will require a lot of complex calculation.
Another method is to optimize the parameter by using an evolutionary algorithm. The values of the S1, Sw, T, b for a wide band rectangular disc hybrid are obtained from the evolutionary algorithm. However, there should be some modification done on the values of the circuit make the patch hybrid suitable for dual band application.
By adding 4 open circuits stub to the above circuit can making the patch hybrid become dual band. The dimension and the position of the open circuit stubs on the hybrid are also obtained by optimization.
The position of the open circuit stub in the hybrid is represented by x in the below graph:

Fig 1. The effect of the open circuit stub toward the operating frequency band of the hybrid coupler The local minimum point of S11 of the hybrid indicates the centre frequency of operating frequency band. It is find that both local minimum point of lower and upper frequency band will shift to high frequency when the value of X increases. That is, both upper and lower frequency band will shift to the high frequency when the open circuit stub is move closer together. The optimizated value of the open circuit stub is x=10.6 mm. When the stub is at this location, local minimum point for lower frequency band and the upper frequency band is located at 2.45 GHz and 5.6 GHz.

From the above graph, it seems that the impedance of the open circuit stub will affect the amplitude imbalance in the upper frequency band of the hybrid coupler. However, it seems that the bandwidth of the upper frequency will decrease as the amplitude imbalance decreases. Therefore, we need to balance the amplitude imbalance and the bandwidth of the upper frequency band. The impedance of the open circuit is chosen for the smallest amplitude imbalance in the upper frequency band with enough bandwidth to cover the frequency range of the IEEE 802.11a.The impedance of open circuit is chosen to be 98.0162 ohms and the corresponding width of the open circuit is 1.4mm.


The multiband Hybrid coupler can be used in the balance amplifier to achieve good return loss, good isolation and higher 1 dB compression point as shown in Fig.

Beside balance amplifier, the hybrid can also be used in the balance Mixer.
We can implement a switch beam system by the Butler Marix in the WiFi access point as shown in Figure.

The switch beam system have several advantage over a simple antenna system. Multiple narrow beams can be produced by the system. The one with strongest signal level can be selected by the control units. As the result, the signal to interference ratio can be increase. The co-channel interference and the multipath interference can be reduced. The range of the antenna system can also be increase
There are many ways to make a hybrid coupler working in multiband. In this project, the multiband hybrid couplers are designed by using additional open circuit stubs. This approach has several advantages over other approach mention in the literature. One of the advantages is that other approaches such as using right hand left hand transmission line can only be applied to the branch line Hybrid coupler. The open circuit stub approach can be applied to both branch line hybrid coupler and disc Hybrid coupler. In this project, a multiband branch line coupler and a multiband rectangular disc hybrid coupler have been fabricated. When comparing with the branch line hybrid coupler, the rectangular disc hybrid has a larger bandwidth and easier to be fabricated due to its simpler structure. On the other hand, the disc hybrid have disadvantage due to its larger shape.
Some improvement can be done on the multiband rectangular disc hybrid. The size of the stub of the hybrid coupler can be reduced by replacing the open circuit stub with the transmission line section loaded by a capacitor. Moreover, the disc hybrid coupler can be modified to become a tunable structure by replacing the capacitor loaded by a varactor diode. The capacitance across varactor diode can be changed by varying the DC voltage applied across it. As the result, the operating frequency of the hybrid coupler of this structure can change by DC biasing. In addition, it may be possible to increase the bandwidth of the coupler by replacing the open circuit stub of the hybrid coupler with the radial stub. The dimension in the main part of the hybrid is also needed to be changed for the replacement of open circuit stub by radial stub.
For the Butler Matrix, a multiband antenna array which can cover the 3 frequency band of WiFi should be needed to design and fabricated in order to construct the switch beam system for WiFi.
A branch line multiband hybrid coupler covering 2 frequency band of WiFi and a rectangular disc hybrid coupler covering 3 frequency band have been designed and fabricated. Both of them have isolation and return loss better than 10 dB in their operating frequency band. They have acceptable insertion loss in their operating frequency band too. The Butler matrix base on the rectangular disc hybrid coupler and Schiffman phase shifter have also been designed and fabricated. It is aimed to be used in the antenna system of the Multiband access point.
[1] http://en.wikipedia.org/wiki/Wi-Fi
[2] D.M.Pozar, “Microwave Engineering”,New York,Wiley
[3] Chapter 8 of EE5601 notes
[4] Nhi T. Phaml, Gye-An Lee2, and Franco De Flaviist,” Microstrip Antenna Array with Beamforming Network for WLAN Applications”
[5] Kwok-Keung M. Cheng,” A Novel Approach to the Design and Implementation