


Published on Nov 30, 2023
An audio CD player, which is used to play only audio CDs, can be converted to play the video CDs as well. Audio CD players have all the required mechanism/functions to play video CDs, except an MPEG card, which is to be added to the player. This MPEG card is readily available in the market. This MPEG card decompresses the data available from the audio CD player and converts it into proper level of video signals before feeding it to the television.
Digital signal processing is being widely used in audio and video CDs and CD playing equipment. These compact disks have brought about a revolution in the field of audio and the video technology. In audio CDs, analogue signals are first converted into digital signals and then stored on the CD. During reproduction, the digital data, read from the CD, is reconverted into analogue signals.
In case of video signals, the process used for recording and reproduction of data is the same as used for audio CDs. However, there is an additional step involved—both during recording as well as reproduction of the digital video signals on/from the compact disk. This additional step relates to the compression of data before recording on the CD and its decompression while it is being read.
As video data requires very large storage space, it is first compressed using MPEG- (Motion Picture Expert Group) compatible software and then recorded on the CD. On reading the compressed video data from the CD, it is decompressed and passed to the video processor. Thus with the help of the compression technique huge amount of video data (for about an hour) can be stored in one CD.

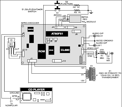
Step 1. Connection of MPEG card to TV and step-down power transformer to confirm proper working of the MPEG card.
Step 2. Connections to audio CD player after confirmation of proper functioning of MPEG card during step1.
Step 3. Playing audio and video CDs.